海科联科技
首页
关于海科联
应用领域
代理品牌
服务
联系我们
网站公告
欧标方快熔170M系列
圆型管式系列熔断器
英制BS88系列快熔
北美系列快熔FWH/FWP/FWX
欧标方快熔170M系列
光伏专用PV系列熔断器
低压熔断器及其他
库柏西熔熔断器
BUSSMANN熔断器-欧标方快熔170M系列
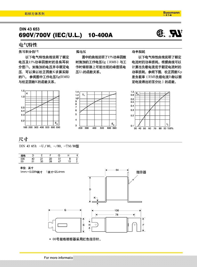
DIN43653 690V (IEC/U.L) [10-400A]
上一篇:
:
应用指南
下一篇:
:
DIN43653 690V (IEC/U.L) [40-2000A]